High quality
Long service life
3 years warrantee
Out of stock
High quality
Long service life
3 years warrantee
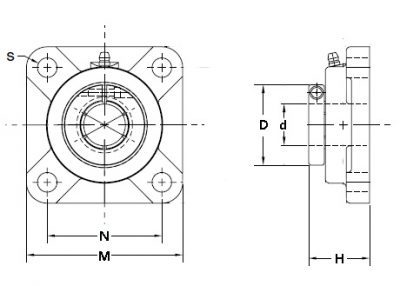
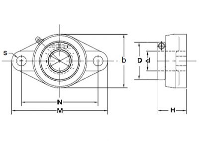
We provide all kinds of flange ball bearing and flange needled bearing. And we also fabricating customized flange bearing according to our client’s drawing.




